Tesla Wireless Power Transmission

Nicolae Teslea cunoscut dupa numele american Nikola Tesla, este cel mai mare inventator român.
Avatar utilizator
T.Eduard
Mesaje: 59
Membru din: 01 Octombrie 2019, 13:53
Localitate: Bacau
Contact:

Tesla Wireless Power Transmission

Mesajde T.Eduard » 01 Octombrie 2019, 16:57

Vă salut.
Mă numesc Tamaș Eduard și de foarte mult timp mă intreb dacă să fac public acest film în care este arătată si prezentată tehnologia de transmitere instantanee a energiei/informației (manifestare instantanee la distanță între doua locații). Majoritatea dintre noi nu au auzit sau văzut așa ceva. Tehnologia se folosește în secret la transmitere de putere, la comunicațiile cu submarine si comunicații care nu se doresc a fi interceptate sau blocate!
De fapt nu se transmite nimic, ci doar se manifestă egal și instantaneu între cele două locații !
Aștept cu nerăbdare părerile domniilor voastre. Mulțumesc.
:Thx
http://www.TamasEduard.com - ENERGY = ( AETHER x MATTER ) x ( RATE OF CHANGE )
https://www.youtube.com/watch?v=AMK0B9ljNrc - Tesla Wireless Power Transmission (Longitudinal Transmission) !

Avatar utilizator
T.Eduard
Mesaje: 59
Membru din: 01 Octombrie 2019, 13:53
Localitate: Bacau
Contact:

Tesla Wireless Power Transmission - Schema de principiu

Mesajde T.Eduard » 19 Noiembrie 2021, 17:36

Tesla Wireless Power Transmission - Schema de principiu

TeslaWirelessPowerTransmission.JPG
http://www.TamasEduard.com - ENERGY = ( AETHER x MATTER ) x ( RATE OF CHANGE )
https://www.youtube.com/watch?v=AMK0B9ljNrc - Tesla Wireless Power Transmission (Longitudinal Transmission) !

mitza22
Mesaje: 3
Membru din: 17 Noiembrie 2021, 13:27

Re: Tesla Wireless Power Transmission

Mesajde mitza22 » 22 Noiembrie 2021, 21:42

sal Eduard si o schema detaliata ca cea folosita de tine se poate?
frecventa de lucru ? ms mult

Avatar utilizator
T.Eduard
Mesaje: 59
Membru din: 01 Octombrie 2019, 13:53
Localitate: Bacau
Contact:

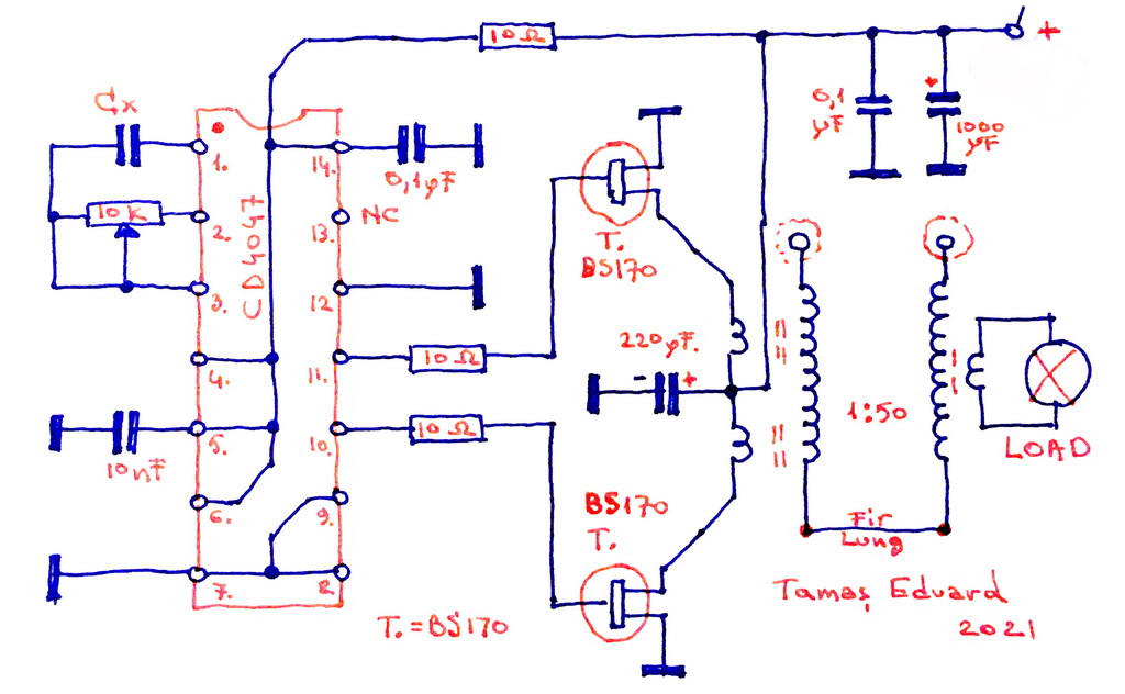
Schema de test - Tesla Wireless Power Transmission

Mesajde T.Eduard » 24 Noiembrie 2021, 13:14

Uite o schema ajutatoare, condesatorul (Cx) trebuie sa il alegi in funtie de frecventa de rezonanta a bobinelor.
Frecveta de lucru nu este critica si este recomandat sa nu depasesti 1Mhz ca sa nu ai probleme cu autoritatile.
Tensiunea de alimentare este de 5v pentru tranzistorul BS170. Daca vrei putere mai mare poti pune IRL510 si 12v alimentare.
Bafta.

TWPT.JPG
http://www.TamasEduard.com - ENERGY = ( AETHER x MATTER ) x ( RATE OF CHANGE )
https://www.youtube.com/watch?v=AMK0B9ljNrc - Tesla Wireless Power Transmission (Longitudinal Transmission) !

mitza22
Mesaje: 3
Membru din: 17 Noiembrie 2021, 13:27

Re: Tesla Wireless Power Transmission

Mesajde mitza22 » 30 Noiembrie 2021, 18:57

Iti multumesc mult Eduard voi face multe probe cu wifi si eu si ajuta orice informatie . vreau sa dezbatem motorul Newman cred ca are potential foarte mare daca e facut bine.

mitza22
Mesaje: 3
Membru din: 17 Noiembrie 2021, 13:27

Re: Tesla Wireless Power Transmission

Mesajde mitza22 » 09 Decembrie 2021, 18:42

Sal Eduard am o intrebare merg si altfel de mosfet gen irf530? sau irfp250? daca mai ai alte variante echivalenti la mosfet ar fi super , tu ce frecventa ai folosit si daca ma poti ajuta cu numarul de spire si grosimea sarmei pe bobine . primar -secundar . tu cat aveai in filmulet .si am vazut ca pe placa ta si in schema de principiu folosesti condensator si dupa bobina in serie . aici in schema cu cd4047 nu e aceasi conexiune la primarul bobinei .

Avatar utilizator
T.Eduard
Mesaje: 59
Membru din: 01 Octombrie 2019, 13:53
Localitate: Bacau
Contact:

Re: Tesla Wireless Power Transmission

Mesajde T.Eduard » 09 Decembrie 2021, 19:15

Salut. Poti folosi orice MOSFET numai ca trebuie sa tii cont de incarcatura in poarta si de frecventa.
Frecveta de lucru poate sa fie intre 100-500Khz (recomandata), la mine este aproape de ~1Mhz.
Daca folosesti tranzistori cu capacitate mare in poarta este nevoie de driver, ex: (ci: mic4428).
Bobinele sunt identice cu raport de ~1:50 intre primar si secundar (nu este batut in cuie). Grosimea la sarma nu este importanta. Raportul dintre diametrul si lungimea bobinei nu trebui sa depaseasca 1:5. In varf la L2 este nevoie de capacitate suplimentara. (toroid/ball metalic). La mine in video schema este mult mai complexa, include si reglajul automat al frecventei.
Bafta.
http://www.TamasEduard.com - ENERGY = ( AETHER x MATTER ) x ( RATE OF CHANGE )
https://www.youtube.com/watch?v=AMK0B9ljNrc - Tesla Wireless Power Transmission (Longitudinal Transmission) !